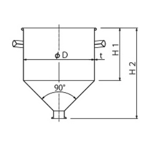
ホッパー型標準タンク
底面がホッパー状になっていて完全排出が出来ます。
また接続がヘルールとなっていて洗浄性に優れています。
OM48-57~OM48-65には、移動しやすいようにキャスター脚がついています。
材質:キャスターウレタン車(座金 SUS304)
特注対応として用途によりノズル及びホッパー角度の変更もできます。
材質SUS304 表面は内外面バフ研磨仕上です。
特注可※100Lまでストック蓋、150L~は平蓋になります。
この製品についてお問い合わせる
材質:キャスターウレタン車(座金 SUS304)
特注対応として用途によりノズル及びホッパー角度の変更もできます。
材質SUS304 表面は内外面バフ研磨仕上です。
特注可※100Lまでストック蓋、150L~は平蓋になります。
| 品番 | 材質 | 型番 | 容量 | 内径 | 本体高 H1 | 容器高 H2 | 全高 | ノズルサイズ | 脚本数 | 板厚(T) | 定価(税抜) | 納期 |
| OM48-51 | SUS304 | HT-ST-18 | 4L | φ180 | 152 | 250 | – | 1.5S | – | 0.8 | ¥101,200 | 受注生産 |
| OM48-52 | SUS304 | HT-ST-21 | 7L | φ210 | 192 | 305 | – | 1.5S | – | 0.8 | ¥104,900 | 受注生産 |
| OM48-53 | SUS304 | HT-ST-24 | 10L | φ240 | 217 | 345 | – | 1.5S | – | 0.8 | ¥109,000 | 受注生産 |
| OM48-54 | SUS304 | HT-ST-27 | 15L | φ270 | 247 | 390 | – | 1.5S | – | 1 | ¥113,000 | 受注生産 |
| OM48-55 | SUS304 | HT-ST-30 | 20L | φ300 | 267 | 425 | – | 1.5S | – | 1 | ¥116,900 | 受注生産 |
| OM48-56 | SUS304 | HT-ST-33 | 25L | φ330 | 262 | 435 | – | 1.5S | – | 1 | ¥122,200 | 受注生産 |
| OM48-57 | SUS304 | HT-ST-L-36 | 35L | φ360 | 312 | 500 | 900 | 1.5S | 3 | 1.2 | ¥327,500 | 受注生産 |
| OM48-58 | SUS304 | HT-ST-L-39 | 45L | φ387 | 344 | 545 | 945 | 1.5S | 3 | 1.2 | ¥341,000 | 受注生産 |
| OM48-59 | SUS304 | HT-ST-L-43 | 60L | φ430 | 358 | 575 | 975 | 2S | 3 | 1.2 | ¥473,220 | 受注生産 |
| OM48-60 | SUS304 | HT-ST-L-47 | 80L | φ470 | 408 | 645 | 1045 | 2S | 4 | 1.5 | ¥552,640 | 受注生産 |
| OM48-61 | SUS304 | HT-ST-L-47H | 100L | φ470 | 518 | 755 | 1155 | 2S | 4 | 1.5 | ¥568,480 | 受注生産 |
| OM48-62 | SUS304 | HT-ST-L-565 | 150L | φ565 | 541 | 825 | 1225 | 2S | 4 | 1.5 | ¥727,870 | 受注生産 |
| OM48-63 | SUS304 | HT-ST-L-635 | 200L | φ635 | 556 | 875 | 1275 | 2S | 4 | 1.5 | ¥791,400 | 受注生産 |
| OM48-64 | SUS304 | HT-ST-L-77 | 300L | φ770 | 568 | 955 | 1355 | 2S | 4 | 2 | ¥977,000 | 受注生産 |
| OM48-65 | SUS304 | HT-ST-L-100 | 400L | φ1000 | 398 | 900 | 1300 | 2S | 4 | 2 | ¥1,666,720 | 受注生産 |
この製品へのお問い合わせはこちら
この製品に関してご不明点がございましたら、
ぜひお問い合わせください。
仕様や導入事例、価格についてなど、
必要な情報を迅速にご案内いたします。
お気軽にご連絡ください。
お問い合わせ
ぜひお問い合わせください。
仕様や導入事例、価格についてなど、
必要な情報を迅速にご案内いたします。
お気軽にご連絡ください。