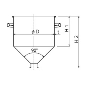
ホッパー型密閉タンク(キャッチクリップ式)
底面がホッパー状になっていて完全排出が出来ます。
また接続がヘルールとなっていて洗浄性に優れています。
(蓋にパッキンとパチン錠が付き密閉構造です)
OM48-76~OM48-83には、移動しやすいようにキャスター脚がついています。
材質:SUS304
材質:SUS304
キャスター:座金 SUS304 車輪ウレタン車
特注対応として用途によりノズル及びホッパー角度の変更もできます。
表面は内外面バフ研磨仕上です。
特注可
この製品についてお問い合わせる
特注対応として用途によりノズル及びホッパー角度の変更もできます。
表面は内外面バフ研磨仕上です。
特注可
| 品番 | 材質 | 型番 | 容量 | 内径 | 本体高 H1 | 容器高 H2 | 全高 | ノズルサイズ | 脚本数 | 板厚(T) | 定価(税抜) | 納期 |
| OM48-70 | SUS304 | HT-CTH-18 | 4L | φ180 | 152 | 250 | – | 1.5S | – | 0.8 | ¥121,000 | 受注生産 |
| OM48-71 | SUS304 | HT-CTH-21 | 7L | φ210 | 192 | 305 | – | 1.5S | – | 0.8 | ¥124,700 | 受注生産 |
| OM48-72 | SUS304 | HT-CTH-24 | 10L | φ240 | 217 | 345 | – | 1.5S | – | 0.8 | ¥128,700 | 受注生産 |
| OM48-73 | SUS304 | HT-CTH-27 | 15L | φ270 | 247 | 390 | – | 1.5S | – | 1 | ¥132,800 | 受注生産 |
| OM48-74 | SUS304 | HT-CTH-30 | 20L | φ300 | 267 | 425 | – | 1.5S | – | 1 | ¥136,700 | 受注生産 |
| OM48-75 | SUS304 | HT-CTH-33 | 25L | φ330 | 262 | 435 | – | 1.5S | – | 1 | ¥141,800 | 受注生産 |
| OM48-76 | SUS304 | HT-CTH-L-36 | 35L | φ360 | 312 | 500 | 900 | 1.5S | 3 | 1.2 | ¥347,500 | 受注生産 |
| OM48-77 | SUS304 | HT-CTH-L-39 | 45L | φ387 | 344 | 545 | 945 | 1.5S | 3 | 1.2 | ¥360,500 | 受注生産 |
| OM48-78 | SUS304 | HT-CTH-L-43 | 60L | φ430 | 358 | 575 | 975 | 2S | 3 | 1.2 | ¥645,260 | 受注生産 |
| OM48-79 | SUS304 | HT-CTH-L-47 | 80L | φ470 | 389 | 620 | 1020 | 2S | 4 | 1.2 | ¥695,200 | 受注生産 |
| OM48-80 | SUS304 | HT-CTH-L-47H | 100L | φ470 | 518 | 755 | 1155 | 2S | 4 | 1.5 | ¥764,720 | 受注生産 |
| OM48-81 | SUS304 | HT-CTH-L-565 | 150L | φ565 | 541 | 825 | 1225 | 2S | 4 | 1.5 | ¥972,620 | 受注生産 |
| OM48-82 | SUS304 | HT-CTH-L-635 | 200L | φ635 | 556 | 875 | 1275 | 2S | 4 | 1.5 | ¥1,295,140 | 受注生産 |
| OM48-83 | SUS304 | HT-CTH-L-77 | 300L | φ770 | 568 | 955 | 1355 | 2S | 4 | 2 | ¥1,455,630 | 受注生産 |
この製品へのお問い合わせはこちら
この製品に関してご不明点がございましたら、
ぜひお問い合わせください。
仕様や導入事例、価格についてなど、
必要な情報を迅速にご案内いたします。
お気軽にご連絡ください。
お問い合わせ
ぜひお問い合わせください。
仕様や導入事例、価格についてなど、
必要な情報を迅速にご案内いたします。
お気軽にご連絡ください。